ポップノイズ低減について

この情報は、オーディオ自作愛好家の方にも
より有効に弊社コントローラーシリーズをご使用頂くための
参考として御用意させて頂きました。

本ページの情報はすべての応用例における見解では無く、
弊社独自の評価範囲内での結果によるものです。

なお、エンジニアの皆様のお役に立てる情報もございますが、
あくまでも参考としてお読みください。

※これらの回路例に起因する損害あるいは第三者の知的財産権侵害の
問題については、当社は一切責任を負えませんので御注意ください。

このページに関しましては、より多くのユーザー様のお役に立てるよう、
共同購入などをしていただきましたお客様にはリンクをお張り頂けますと幸いです
しかしながら、無断転載に関しましては固くお断り申しあげます。

はじめに

 電源投入、遮断時に電子ボリュームICの発生するポップノイズ
は、弊社コントローラーの動作とは直接の関係がございませ
ん。 そのため、弊社独自の評価を公表することより、各社の高性
能な電子ボリュームそのものの評価に対して誤解を招いてしまうこ
との無いよう、ポップノイズに関しましては、これまでメールによる
お問い合わせに対してのご返答とさせていただき、弊社サイトでの
明言は避けてまいりました。

 しかしながら、昨今、お蔭様で一般の自作愛好家の皆様による
弊社コントローラーの御使用も少しずつではございますが増えてき
ており、弊社から直接サンプルをご購入頂くのでは無く、二次的に
弊社コントローラーを入手していただく機会も増えてまいりました。
 それに伴いまして、弊社コントローラーをご使用のすべての皆様
に、より良い状態でご愛用頂けますよう、このページをご用意いた
しました。

 このページの中で、各社の電子ボリュームICの性能比較とも受
け取れうる表現がございますが、現在、接続対象となる3つの電
子ボリュームICにはそれぞれに特長があり、それぞれの良さ
があります。 それ故、弊社内でも用途に合わせて適宜選択して
います。 ご使用に際しましては、各電子ボリュームICのデータシ
ート等を十二分にご検討いただきまして、ご選択下さいます様お願
いいたします。

 弊社コントローラーシリーズと接続可能な各電子ボリュームIC
は、単体での評価を行いましても非常に高性能です。 しかしなが
ら、本来、その性質上、システムの一部に組み込まれるためのも
のです。 そのため、弊社データシートの参考回路例にも記述いた
しましたとおり、組み合わせる電源、使用状態によっては外部ミュ
ート機構が必要となりますことを改めて申し上げます。


PGA2310使用時のポップノイズについて

 弊社コントローラーシリーズのデータシート中の回路例では
CS3310との組み合わせを紹介しています。
 このCS3310をPGA2311に変更する場合は特に問題ございませ
んが、PGA2310に変更した場合、CS3310やPGA2311ほど、リ
セットICによるポップノイズ低減効果は期待できません。

 電子ボリュームICそのものは弊社の製品ではございませんの
で、弊社サイトにて勝手な見解を申し上げるのは大変心苦しいとこ
ろでございますが、極力差し障りが無いと思われる範囲で担当者
としての私見を申しあげます。

 3種の電子ボリュームICのデータシートを比較して頂きますと、ミ
ュート機構に関する記述はそれぞれ異なります。 PGA2310に
は、他の2種とは異なり、入出力電圧が大きくとれるという圧倒
的に有利な性能があります。 その代わりミュート機構に関して
は通常動作時の記述しか書かれていないようです。 また、そもそ
も、電源電圧が高いですから、少々の不安定動作でもノイズが大
きく出ると想像できます。 それに対し、PGA2311データシートには
電源不安定時の動作に対する記述がございます。 また、CS3310
データシートには電源不安定時の動作までは記述がございません
が、ミュート動作の詳細が記述されております。

 あくまで、弊社条件において、しかも、ごく限られたロットを対象と
した評価による結果ですので、ご使用環境によって結果が異なる
可能性がございますが、ポップノイズ低減のし易さは上記データシ
ートから想像できるとおり、PGA2311、CS3310、PGA2310(易→
難)の順と確認しています。

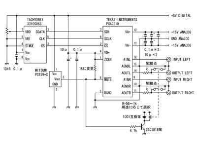
 下図に、既に弊社データシートを参考にPGA2310を用いた回路
を製作された方がミューティングリレーを手軽に追加するための回
路例をご紹介します。 リレーによるミュートは非常に簡単で、か
つ、確実なミュートが可能です。 また、電源が完全に供給されて
いない状態でも、ミュートは機能しつづけます。 しかしながら、小
信号用リレーの殆どは、各電子ボリュームIC内蔵のゼロクロス機
能待ち時間より短時間で作動するため、音楽信号再生中にリレー
によるミュートが掛った場合、通常動作時における電子ボリューム
ICのミュート端子操作よりも若干大きなノイズが発生する場合があ
ります。
 また、この回路例はPGA2311、CS3310をお使いの方が、更なる
安定動作のためにミューティングリレーを追加される場合にも勿論
お使いいただけます。


クリックすると図は大きくなります

 PGA2310のミュート端子のプルアップ抵抗は1kΩに変更してくだ
さい。
 上記ミューティング回路では、信号経路にリレー接点が直接は入
りませんので、リレー接点による音質劣化は殆ど発生しません。 
入手性の良いリレーを適宜ご選択下さい。
 出力抵抗Rは、使用目的に応じて最適値が異なります。 ご使用
目的に応じてお選びください。 出力抵抗は下げすぎても逆にトラ
ブルの元となりますので、基本的にはお奨めは致しませんが、自
家用としてご使用の方で、極力直列抵抗を排除したいとお考え場
合は、特にRを追加しなくてもご使用可能です。 電子ボリュームIC
自体に出力抵抗がありますので、リレーによるミュート機構自体は
外付けのR無しでも機能します。
 トランジスタ、ダイオードは入手性を考慮し、2SC1815、10D1互換
などを一例として紹介しておりますが、使用するリレーに合わせて
適宜ご選択ください。
 デジタル系電源とアナログ系電源の立ち上がり、立ち下がりが大
きくずれる場合は、リレーの電源はアナログ系電源からお取りくだ
さい。

戻る
戻る